Biegewerkzeuge & Montagewerkzeuge
für die Region Keltern – präzise entwickelt, zuverlässig gefertigt
Wenn in der Serie jede Minute zählt, muss das Werkzeug ab dem ersten Teil funktionieren. Gleichzeitig sollen Änderungen schnell möglich sein, ohne dass Projekte aus dem Takt geraten. Die Bogner GmbH & Co. KG entwickelt und konstruiert Stanz-, Biege- und Montagewerkzeuge vollständig im eigenen Haus – konstruktiv, technologisch und fertigungstechnisch. So erhalten Sie Biegewerkzeuge und Montagewerkzeuge, die auf hohe Stückzahlen ausgelegt sind und sich sauber in Ihre Fertigungs- und Montageprozesse integrieren lassen.
Sie suchen in Keltern und Region einen Partner, der schnell versteht, was Sie brauchen, und Lösungen in 3D konsequent durchdenkt. Genau hier setzen wir an: mit klaren Werkzeugkonzepten für die Serienfertigung und Montageprozesse sowie einer engen Abstimmung mit Arbeitsvorbereitung, Qualitätssicherung und Produktion.
→ Sprechen Sie mit uns über Ihr Bauteil und Ihre Zielstückzahl. Fordern Sie jetzt eine Beratung an
Entwicklung von Biege- und Montagewerkzeugen in 3D
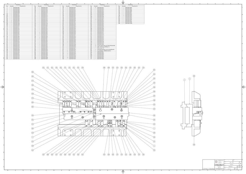
Wir entwickeln und konstruieren ausschließlich in 3D. Das schafft Transparenz in der Auslegung und hilft, Funktionen, Toleranzen und Abläufe früh zu prüfen. Für Sie bedeutet das: bessere Planbarkeit, weniger Schleifen und ein Werkzeugkonzept, das von Anfang an auf Ihre Serienanforderungen abgestimmt ist.
Damit Ihre Daten reibungslos ankommen, ist der Datenaustausch über alle gängigen Formate möglich. So können Sie bestehende Konstruktionen, Modelle oder Zeichnungen schnell einbringen – unabhängig davon, in welchem System sie entstanden sind. Dies beschleunigt Entscheidungen und verkürzt die Wege bis zum fertigen Biegewerkzeug oder Montagewerkzeug.
Leistungsübersicht: Stanztechnik, Biegewerkzeuge & Montagewerkzeuge aus einer Hand
Zur schnellen Orientierung finden Sie hier die zentralen Leistungen. Die Details klären wir anschließend gemeinsam anhand Ihres Bauteils und Ihres Prozesses.
Leistungsumfang:
- Konstruktion: Bihler-, Stanz- und Folgeverbundwerkzeuge
- Werkzeugkonzepte: für Serienfertigung und Montageprozesse
- Entwicklung und Konstruktion: Stanz-, Biege- und Montagewerkzeuge vollständig im eigenen Haus
- CAD-Systeme: Autodesk Inventor, VISI - Series, Siemens PLM Software NX mit bNX Normaliensystem, DP Esprit
- Datenaustausch: Bearbeitung gängiger Formate wie Autodesk AutoCAD, Autodesk Inventor, Solid Works, CATIA V4 und V5, NX-Dateien, Pro Engineer, Step Daten, DXF Daten, IGES Daten und DWG Daten
Ihre Vorteile mit unseren Biegewerkzeugen und Montagewerkzeugen
Für Serienprojekte zählt nicht nur die Konstruktion, sondern auch das Ergebnis in der Fertigung. Bogner verbindet die Entwicklung, Technologie und Fertigungstechnik im eigenen Haus und stimmt sich eng mit AV, QS und Produktion ab. So entstehen Biegewerkzeuge und Montagewerkzeuge, die im Alltag überzeugen.
Vorteile:
- Kurze Entwicklungszeiten: Durch die Entwicklung und Konstruktion im eigenen Haus reduzieren sich Abstimmungen und Wartezeiten spürbar.
- Optimale Werkzeugauslegung: Biegewerkzeuge und Montagewerkzeuge werden gezielt für hohe Stückzahlen und stabile Prozesse ausgelegt.
- Schnelle Änderungsmöglichkeiten: Anpassungen können kurzfristig umgesetzt werden, wenn sich Bauteile, Anforderungen oder Abläufe ändern.
Speziell bei breit gefächerten Anforderungen aus unterschiedlichen Branchen ist es entscheidend, dass Werkzeugkonzepte praxisnah entstehen und Änderungen schnell möglich bleiben. Bogner unterstützt Sie dabei mit klaren 3D-Konstruktionen, einem sauberen Datenaustausch und Werkzeuglösungen, die auf die Serienfertigung und Montageprozesse ausgelegt sind.
Häufig gestellte Fragen (FAQ) zu Biegewerkzeugen, Montagewerkzeugen und Datenaustausch
Jetzt Beratung anfragen: Biegewerkzeuge und Montagewerkzeuge für Ihre Serie.
Können Sie unsere vorhandenen CAD-Daten übernehmen?
Ja, der Datenaustausch ist über alle gängigen Formate möglich. Sie können unter anderem Daten aus AutoCAD, Inventor, Solid Works, CATIA V4 und V5, NX-Dateien, Pro Engineer, Step, DXF, IGES und DWG bereitstellen.
Entwickeln Sie Biegewerkzeuge und Montagewerkzeuge komplett intern?
Ja, Bogner entwickelt und konstruiert Stanz-, Biege- und Montagewerkzeuge vollständig im eigenen Haus – konstruktiv, technologisch und fertigungstechnisch.
Arbeiten Sie ausschließlich in 2D oder auch in 3D?
Bogner entwickelt und konstruiert ausschließlich in 3D. Das sorgt für klare Modelle, eine bessere Abstimmung und eine saubere Grundlage für die Serienfertigung und Montageprozesse.
Welche Werkzeugarten konstruieren Sie in der Stanztechnik?
Zum Leistungsumfang gehören die Konstruktion von Bihler-, Stanz- und Folgeverbundwerkzeugen sowie Werkzeugkonzepte für die Serienfertigung und Montageprozesse.
Wie stellen Sie sicher, dass das Werkzeug zur Fertigung passt?
Durch die enge Abstimmung mit der Arbeitsvorbereitung, Qualitätssicherung und Produktion werden Anforderungen aus der Praxis früh berücksichtigt, damit das Biegewerkzeug oder Montagewerkzeug im Prozess zuverlässig funktioniert.
Wie schnell sind Änderungen möglich, wenn sich Anforderungen im Projekt ändern?
Schnelle Änderungsmöglichkeiten sind ein zentraler Vorteil. Durch die interne Entwicklung und 3D-Konstruktion können Anpassungen kurzfristig umgesetzt werden.
